

服务热线
139-1822-4686
光伏逆功率保护装置作用为检测并网点的功率,当反方向出现功率时,即为逆功率,达到保护定值后,跳开并网开关。当光伏发电量大于负载时,此时电网开关会有反方向的电流入电网。为此逆功率保护装置动作。
光伏逆功率保护装置概述 上海长高继保科技的光伏逆功率保护装置也称为防逆流保护装置。作用为检测并网点的功率,当反方向出现功率时,即为逆功率,达到保护定值后,跳开并网开关。一般这类电站属于自发自用余电禁止并网。此时正常情况下光伏发的电和电网的电同时供负载运行。当光伏发电量大于负载时,此时电网开关会有反方向的电流入电网。为此逆功率保护装置动作。当逆功率消失时,合并网开关。光伏发电是目前比较好的发电模式,通过太阳能电池板,将光能转换成电能供人们使用。随着行业的发展,光伏发电可谓是遍地都是。其中分布式光伏是一种相对装机容量小的发电系统。

光伏逆功率保护原理 检测交流电网(AC400V,50Hz)供电回路三相电压、电流(测量点),判断功率流向和功率大小。如果电网供电回路出现逆功率现象,当逆功率值大于逆功率定值(可设定,单位W二次功率值)时,按照各个出口延时时限的不同,当延时超过相应出口的延时后,驱动该出口动作,跳闸顺序为先跳出口1,再跳出口2,依次类推, 逐级断开清洁电源并网系统中8个模组,直到逆功率现象消失。保护原理如下图所示。

光伏逆功率主要配置功能 过电压 (跳闸)、低电压 (跳闸)、频率过高 (跳闸)、频率过低 (跳闸)、频率突变 (跳闸)、逆功率 (跳闸)、外部联跳1 (跳闸)、外部联跳2 (跳闸)、系统失电 (跳闸)、频率突变闭锁低频 (跳闸)、有压自动合闸 (跳闸)、模拟跳闸 (跳闸)。
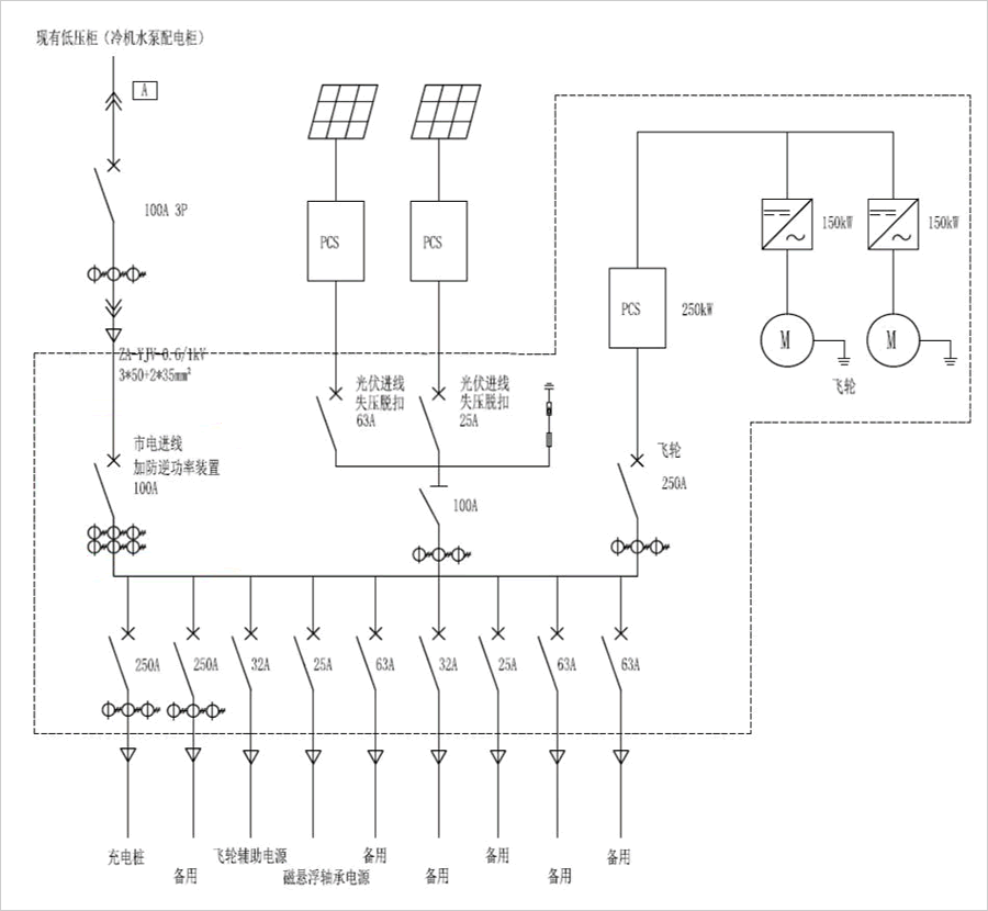
光伏逆功率保护典型图纸 
上一篇:
光伏电站二次设备介绍
下一篇:
没有相关内容



