

服务热线
139-1822-4686
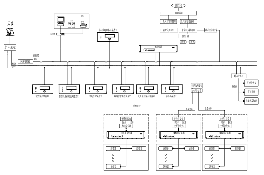
光伏电站二次设备一般有光伏后台监控系统、远动通讯屏、调度数据网屏、光伏二次安防屏、光伏二次设备预制舱、防孤岛保护装置、电能质量在线监测装置、故障解列装置等。
光伏电站二次设备概述上海长高继保科技的光伏二次设备主要适用于分布式光伏电站项目中,分布式光伏发电项目一般根据并网的电压等级分为380V和10KV。一般电压等级为380V低压并并网基本不涉及到什么二次产品,通常采用光伏并网柜就能解决,常见的并网设备为防孤岛保护装置和电能质量在线监测装置为主。而10KV并网的光伏容量一般处于1MWP到10MWP之间的项目,需要用于光伏二次设备。而这其中涉及的常见二次设备有光伏后台监控系统、远动通讯屏、调度数据网屏、光伏二次安防屏、光伏二次设备预制舱、防孤岛保护装置、电能质量在线监测装置、故障解列装置等。下面就为大家介绍这些光伏二次设备的主要作用。
光伏后台监控系统 
一般为主机、显示器、键盘、鼠标、打印机,音响等组成。作用是实时监控变电站内的数据。同时可以远程控制一些电站开关的合分闸,调节电气设备参数等等。 光伏后台监控系统就是将光伏电站的逆变器、汇流箱、辐照仪、气象仪、电表、微机保护装置等设备通过数据线连接起来,用光伏电站数据采集器、通讯管理机、数据网关等设备进行数据采集,并通过GPRS、光纤等方式上传到用户服务器或本地电脑,使用户可以在互联网或本地电脑上查看相关数据,方便电站管理人员和用户对光伏电站的运行数据查看和管理。可对太阳能光伏电站里的电池阵列、汇流箱、逆变器、交直流配电柜、等设备进行实时监控和控制,通过各种样式的图表及数据快速掌握电站的运行情况,其友好的用户界面、强大的分析功能、完善的故障报警确保了太阳能光伏发电系统的完全可靠和稳定运行。
光伏公用测控屏 
主要用于除专用间隔以外的模拟量(如母线电压)、开关量(如GPS装置)的采集、各开关控制操作。那么既然专用间隔都有微机保护测控及保护,为什么还需要公用测控装置呢,对于微机保护来讲,都有自己的开关量输入,开关量输出和模拟量的输入。但是对于一台保护测控装置来说,既起到保护作用,又起到测控的作用。但是对于信号的输入点是比较少的,那么就需要公用测控装置来满足现场的要求。还有就是站内的一些开关量信息,如直流屏故障信号、火灾报警故障等这些信号需要在后台监控上体现出来,那么就需要公用测控来解决。这些信号接到其它哪个微机保护也不合适。这些只是一部分,其实公用测控装置就是根据现场的实际要求提供满足现场需要的开入、开出和模拟量。通过这些量接入到公用测控中,最后显示在后台监控中。
光伏解列屏 
光伏故障解列屏一般在变电和配电中很难看见,多使用于水力发电、火力发电和光伏发电等一些发电项目上。故障解列屏安装于光伏二次设备预制舱内。对于集中式光伏电站系统和分布式光伏电站系统中,为了避免由于电站的原因导致电网电能质量受到波动,故障解列装置动作,跳开并网开关。与防孤岛保护装置的的使用意义正好相反,防孤岛保护装置是当电网出现异常或者停电时,为了避免电站出现孤网运行状态,防孤岛保护装置跳闸。
远动通讯屏 
一般由远动通讯装置、规约转换器、交换机、防雷器等等组成,远动通讯屏是基于电网安全建设而投入的远方监控厂站信息、远方切除电网负荷的设备;主经是由远动装置、通讯管理机、交换机、GPS对时装置、数字通道防雷器、模拟通道防雷器、屏柜及附件等设备组成。变电站远动通讯系统是指对广阔地区的生产过程进行监视和控制的系统,它包括必需的过程信息的采集、处理、传输和显示,执行等全部的设备与功能。构成远动系统的设备包括厂站端远动装置,调度端远动装置和远动信道。
光伏调度数据网屏 
光伏调度数据网,是用于传输电网自动化信息、调度指挥指令、继电保护与安全自动装置控制信息等。此业务由路由器完成,电力纵向加密设备负责对数据进行加密处理,交换机为配套设备。调度数据网设备一般由2M业务及100M业务组成,每组配套路由器1台、电力专用纵向加密装置2台、交换机2台。路由器负责数据业务传输,两个纵向加密装置分位实时信息区和非实时信息区,一台纵向加密配套一台交换机做业务处理。电力主网完整一套调度数据网设备配置一般为路由器2台、电力专用纵向加密装置4台、交换机4台。
光伏二次安防屏 
二次安全屏是确保电力信息化系统、电力实时闭环监控系统及调度数据网络的安全,目标是抵御黑客、病毒、恶意代码等通过各种形式对系统发起的恶意破坏和攻击,从而防止一次系统、二次系统事故或大面积停电等事故的出现。是由地理上广泛分布于各级发电机、变电站的业务系统通过紧密或松散的联系而构成的复合系统,它的支持环境既包括各调度网络和厂站的异构计算机系统、局域网络,又包括连通各局域网的电力系统行业外联网。因此,电力信息系统安全不同于单纯的计算机系统或通信系统安全,为了确保电力系统业务的安全,必须同时考虑广泛分布而又相互联系的业务系统及其与计算机、通信等基础支持系统间的交互。
光伏二次设备预制舱 
二次设备预制舱由预制舱、二次设备屏柜、二次设备等组成。二次设备预制舱集成了光伏二次设备,并在预制舱内完成屏柜间相关配线等工作,并作为一个整体运输至工程现场,在现场实现与一次设备、土建对接。预制舱组合二次设备一般按二次系统特点及服务的一次对象进行模块化组合。
上一篇:
光伏重合闸剩余电流动作断路器
下一篇:
光伏逆功率保护装置介绍



